WEK35391-2017分辨力測試卡每個線對組由4塊規格尺寸相同的薄片平行排列構成(薄片之間用與薄片等厚的金屬隔片隔開),兩側放置最厚薄片的2倍厚度的校準塊,每組線對卡里面的金屬片組間隔為2.5mm。
1)Ⅲ級線對卡
2)Ⅱ級線對卡
3)工級線對卡;
線對卡是用來測試工業CT系統空間分辨力的一種標準試件,它是由鋼、硅或其他由供需雙方商定的材料制作的薄片構成的線對組,每個線對組由4塊規格尺寸相同的薄片平行排列構成(薄片之間用與薄片等厚的金屬隔片隔開),兩側放置最厚薄片的2倍厚度的校準塊,其三維結構如圖1、正視圖如圖2所示。
每個線對組中的薄片厚度為T,相鄰片間隙寬度(金屬隔片厚度)也為 T。各種等級線對卡的薄片厚度 T 及其對應的線對數見表 A.1。
等級 | 第1組 | 第2組 | 第3組 | 第4組 | 第5組 | |||||
片厚T mm | 線對數 Lp/mm | 片厚T mm | 線對數 Lp/mm | 片厚T mm | 線對數 Lp/mm | 片厚T mm | 線對數 Lp/mm | 片厚T mm | 線對數 Lp/mm | |
Ⅲ級 | 0.100 | 5.0 | 0.125 | 4.0 | 0.150 | 3.3 | 0.200 | 2.5 | 0.250 | 2.0 |
Ⅱ級 | 0.150 | 3.3 | 0.200 | 2.5 | 0.250 | 2.0 | 0.300 | 1.7 | 0.500 | 1.0 |
Ⅰ級 | 0.250 | 2.0 | 0.300 | 1.7 | 0.500 | 1.0 | 0.650 | 0.8 | 1.000 | 0.5 |
每個線對組中的薄片長度L 為10mm,寬度W為8mm。
外型尺寸長(L),寬(W),高(H),單位:mm。
| 圖片 | ![]() | ![]() | ![]() |
等級 | Ⅰ級 | Ⅱ級 | Ⅲ級 |
| 線對 | 0.5至2.0LP/m | 1.0至3.3LP/m | 2.0至5.0LP/m |
| 尺寸(mm) | 45Lx26Wx20H
| 33Lx26Wx20H | 30Lx26Wx20H |
1)Ⅱ級圓孔卡或Ⅱ級細絲卡
2)工級圓孔卡或I級細絲卡;
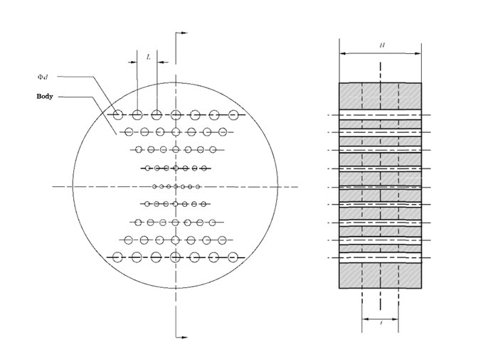
圓孔卡是在均質圓柱形基體上,加工一系列直徑不同的圓形孔,圓孔按行有序排列,其結構如圖3所示。細絲卡是在均勻低密度圓柱形基體上,排列一系列直徑不同的細絲,細絲按行有序排列。
圓盤卡是由均質的剛性材料制作的圓柱體,其結構如下圖所示。圓盤卡材質應與被檢測物體的射線吸收特性相同或相近,推薦使用鋼或硅(或由供需雙方商定的材料制作)。



聯系賣家:凈康
交易榮譽:一噸象
服務商等級:普通會員
所在地區:深圳市龍崗區南灣街道吉廈社區沙平北路111號